4-Channel Op-Amp Audio Mixer (TL074) – DIY Electronics

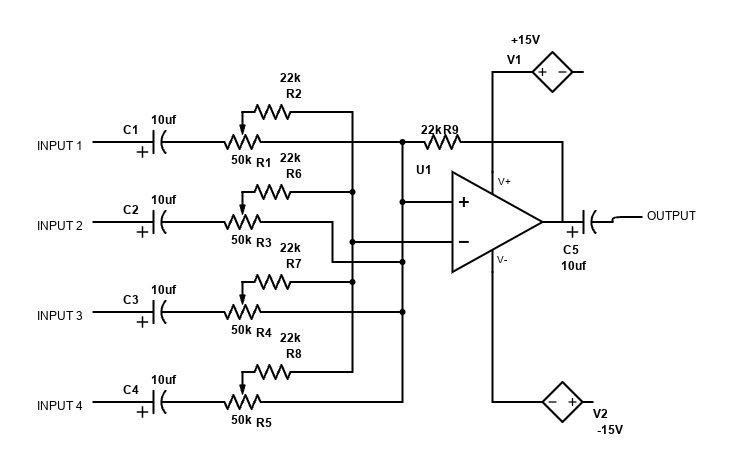
Mix four audio sources (e.g., Bluetooth, FM, MP3, guitar preamp) into a single output using a TL074 op-amp. Each channel has its own volume control (VR) feeding a 22 kΩ resistor into the inverting summing node. Power the circuit with ±12 V to ±15 V for best headroom.

Schematic of 4-channel op-amp mixer using TL074, each input with capacitor, potentiometer (wiper to 22k), summed to inverting input; ±15 V supply.
4-Channel Op-Amp Mixer schematic (TL074). Each wiper → 22 kΩ → op-amp (−). Feedback 22 kΩ for unity gain.

How it works

  • Each input: Coupling capacitor (10 µF)VR (10–50 k linear)wiper to 22 kΩ.
  • All four 22 kΩ resistors meet at the inverting input (−) of one TL074 section.
  • Feedback resistor Rf = 22 kΩ from output to inverting input → approx. unity gain.
  • Non-inverting input (+) referenced to ground (virtual ground in split supply).
  • Output via 10–100 µF capacitor if your next stage is single-supply; direct couple if it’s also split-supply.
  • Decouple TL074 rails with 100 nF ceramics close to pins; add 10 µF electrolytics to rails if needed.
Pot wiring, per channel: Signal → capacitor → Pot pin 1, pin 3 → ground, wiper (pin 2) → 22 kΩ → op-amp (−).

Parts list

  • 1× TL074 (quad op-amp) – using 1 section here; or use the others for buffers/EQ.
  • 4× 10–50 kΩ linear potentiometers (VR1–VR4).
  • 4× 22 kΩ input resistors (R6–R8 + R? per your naming).
  • 1× 22 kΩ feedback resistor (Rf).
  • 4× 10 µF input coupling capacitors (C1–C4).
  • 1× 10–100 µF output capacitor (C5) if required.
  • 2× 100 nF decoupling capacitors (close to TL074 V+ and V−).
  • Dual supply ±12–15 V.

Download PDF schematic Download PNG

Pinterest (optional)

Add a Save button to help visitors pin this project:

Suggested Pin title

4-Channel Op-Amp Mixer (TL074) – DIY Audio Schematic

Suggested Pin description

Build a clean 4-channel audio mixer with TL074. Each input has its own volume (VR) and 22 kΩ mix resistor to the inverting summing node. Free schematic and parts list.

Tags

preamplifier circuit • op amp projects • audio electronics diy • diy mixer • tl074 • exotelectronics


Notes